回转驱动
提供SE/WE/SP全系列精密回转驱动,支持非标定制,满足6-8级齿轮精度与各类电机集成需求。
| 项目/Item | 数值 | 单位 |
|---|---|---|
| WE19&WEA19/WEB19 | Value | Unit |
| 输出转矩/Output Torque | 18.5 | kN.m |
| 倾覆力矩/Tilting Moment Torque | 196 | kN.m |
| 保持力矩/Holding Torque | 80.1 | kN.m |
| 轴向静载荷/Static Axial Rating | 1800 | kN |
| 径向静载荷/Static Radial Rating | 675 | kN |
| 轴向动载荷/Dynamic Axial Rating | 290 | kN |
| 径向动载荷/Dynamic Radial Rating | 250 | kN |
| 减速比/Gear Ratio | 94:1 | — |
| 精度等级/Tracking Precision | ≤0.1 | ° |
| 重量/Weight | 118 | kg |



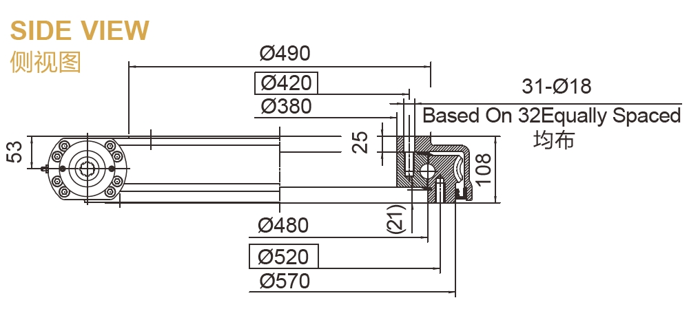
蜗轮驱动 WE19 是一款集成式驱动组件,由底座、蜗杆轴和蜗轮等核心部件构成。这一先进的驱动机制专为密封环境设计,能够同时承受轴向载荷、径向力和倾覆力矩。其突出的自锁功能能够在驱动力丧失时防止部件意外旋转,确保操作的安全性。由于这一关键特点,WE19 特别适用于对安全性要求极高的应用场景。
高输出扭矩
WE19 提供 18.5 kN·m 的输出扭矩,能够高效应对重载操作,是苛刻工业应用的理想选择。
倾覆力矩
该驱动具备 196 kN·m 的倾覆力矩,确保在各种操作场景中的稳定性与控制力。
自锁机制
这一关键安全功能可防止动力丢失时设备的意外逆转,在关键操作中提供可靠性。
密封保护
WE19 达到 IP65 防护等级,具备出色的防尘防水能力,可在户外和恶劣环境中运行。
齿轮比
94:1 的齿轮比提供显著的速度减小和扭矩放大,优化了低速高扭矩应用的性能。
精确跟踪
≤0.1° 的跟踪精度,能够在机械系统中实现精准的控制与定位。
高空作业平台
WE19 广泛应用于臂式升降设备的旋转驱动,确保高空作业的稳定与安全。
矿山设备
在矿山作业中,WE19 被用于钻机的提升与旋转机构,提升操作效率与安全性。
工业倾翻机构
适用于需要精确倾翻或旋转的设备,例如料斗和容器,优化了工业操作的效率。
建筑机械
其坚固的结构适用于建筑领域的各种设备,在操作中提供可靠性和安全性。
自动化系统
WE19 在自动化与机器人领域中发挥重要作用,能够实现精准的动作控制,提高系统整体性能。
WE19 的价格会根据具体配置、定制选项和生产规模而有所不同。如需获取专属报价,建议与我们的销售团队联系。立锐轴承始终致力于在保证产品质量和性能的前提下,为客户提供具有竞争力的价格。
立锐轴承是 WE19 蜗轮驱动的领先制造商。我们专注于质量管理,通过先进的制造工艺和高品质材料,确保产品的高性能与可靠性。我们经验丰富的团队与客户紧密合作,深入了解其独特需求,并提供定制化的解决方案以提升操作效率。
通过持续的研发投入,立锐轴承确保 WE19 蜗轮驱动始终位居行业前沿,快速适应新技术与市场需求。
WEA19 和 WEB19 是 WE19 的优化版本,专为苛刻环境设计。两者的主要区别在于密封方式:
WEA19:配备单骨架油封,适合普通环境应用。
WEB19:配备双骨架油封,提供更强的密封性能,尤其适用于含尘、泥浆等严苛条件的应用场景。
对于暴露于极端环境的应用,建议选择密封性能更优的 WEB19,而 WEA19 则适合相对温和的环境,同时保持稳定可靠的性能。
蜗轮驱动 WE19 以其安全性、高效能和多功能性,成为低速工业应用的首选解决方案。其卓越的设计与功能满足各行业对高性能设备的严格要求,是现代工业应用中可靠性与效率的完美结合。


© 2025 立锐轴承 All Rights Reserved 备案号:豫ICP备2024101299号-3