回转驱动
提供SE/WE/SP全系列精密回转驱动,支持非标定制,满足6-8级齿轮精度与各类电机集成需求。
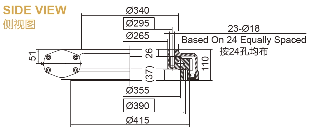
| 项目/Item | 数值 | 单位 |
|---|---|---|
| SE14&SEA14/SEB14/PE14 | Value | Unit |
| 输出转矩/Output Torque | 8 | kN.m |
| 倾覆力矩/Tilting Moment Torque | 67.8 | kN.m |
| 保持力矩/Holding Torque | 48 | kN.m |
| 轴向静载荷/Static Axial Rating | 555 | kN |
| 径向静载荷/Static Radial Rating | 222 | kN |
| 轴向动载荷/Dynamic Axial Rating | 133 | kN |
| 径向动载荷/Dynamic Radial Rating | 117 | kN |
| 减速比/Gear Ratio | 85:1 | — |
| 精度等级/Tracking Precision | ≤0.17 | ° |
| ≤0.05/0.07 | ||
| 重量/Weight | 64 | kg |



包络回转驱动 SE14 是一种集成化、单元化的传动部件,将高效的齿轮传动与稳健的性能相结合,适用于广泛的工业应用。该系统的核心部件包括底座、蜗轮和蜗轮。它设计用于同时承受轴向载荷、径向载荷和倾覆力矩,使其具有高度的通用性,适用于要求苛刻的环境。该驱动器还具有自锁机制,可在系统失去驱动力时防止反向驱动,确保安全性和运行可靠性。
什么是包络回转驱动 SE14?
包络回转驱动 SE14 是一种集成化、单元化的传动部件,将高效的齿轮传动与稳健的性能相结合,适用于广泛的工业应用。该系统的核心部件包括底座、蜗轮和蜗轮。它设计用于同时承受轴向载荷、径向载荷和倾覆力矩,使其具有高度的通用性,适用于要求苛刻的环境。该驱动器还具有自锁机制,可在系统失去驱动力时防止反向驱动,确保安全性和操作可靠性。
SE14 的突出特点之一是使用包络蜗轮,该蜗轮与蜗轮的 4 到 5 个齿保持啮合。这种独特的设计显著提高了输出扭矩和保持扭矩,确保系统在重载下也能有效运行。该驱动器旨在满足重型机械和精度和安全性都至关重要的应用的性能要求。
与 S 系列回转驱动器不同,SE14 系列提供增强的密封和保护,符合 IP65 防尘防水等级。这使其成为户外应用或恶劣环境中应用的绝佳选择,在这些环境中,湿气、灰尘或污垢会对性能产生负面影响。在不同的应用环境中,SE14 可以与液压马达或电动机配对,为用户提供各种驱动选项,以满足特定的操作需求。
包络式回转驱动 SE14 的应用
立锐轴承SE14 包络式回转驱动广泛应用于需要在重载下实现精确可靠的旋转运动的行业。其主要应用包括:
高空作业平台 (AWP) 和起重机
SE14 非常适合用于高空作业平台和汽车起重机。这些机器通常需要能够承受高轴向力和径向力以及提供精确旋转控制的驱动器。SE14 的自锁功能可确保系统在失去驱动力时保持牢固锁定,从而在高空或危险条件下操作时提供额外的安全保障。
建筑设备
许多建筑机械,例如挖掘机、物料搬运机和推土机,都依靠 SE14 提供稳定而准确的旋转。SE14 能够管理重载,同时保持对机器运动的精确控制,这使其成为建筑行业的重要组成部分。
风力涡轮机偏航驱动器
SE14 用于风力涡轮机的偏航驱动系统,该系统负责旋转涡轮机以迎风。包络蜗杆设计可产生高扭矩,运动平稳可靠,是可再生能源发电苛刻条件的理想选择。
采矿和重型设备
在采矿应用中,钻机和挖掘机等机械通常在恶劣环境中运行,耐用性和可靠性至关重要。SE14 的 IP65 级密封和自锁功能可确保在多尘、泥泞和高冲击条件下实现最佳性能。
机器人和自动化
SE14 还用于需要精确运动和承载能力的机器人应用。该驱动器可在机械臂、自动化机械和其他精密设备中提供平稳、受控的运动,有助于优化工业自动化系统的性能。
船舶和海上应用
在船舶应用中,包括船舶起重机、造船厂设备和海上石油钻井平台,SE14 具有承受盐水暴露、湿度和振动等恶劣条件所需的耐用性,即使在具有挑战性的环境中也能确保较长的使用寿命。
包络式回转驱动器 SE14 的特点
包络式回转驱动器 SE14 拥有几个关键特性,使其成为工业和重型应用的首选解决方案:
自锁机制
SE14 回转驱动器最重要的特性之一是其自锁功能,可在断电时防止反向旋转。这种自锁能力对于保持系统的稳定性和安全性至关重要,尤其是当负载受到外力或驱动力断开时
ged。
增强扭矩和保持能力
SE14 的包络蜗轮设计通过同时啮合多个齿(4 到 5 个齿)来确保最佳扭矩传输。这种设计最大限度地减少了齿轮齿的磨损,增加了总扭矩输出,并增强了保持扭矩,使其适用于重载和高应力应用。
IP65 防护
凭借 IP65 等级,SE14 可提供出色的防尘、防污和防水保护,使其适用于户外应用和需要暴露在自然环境中的环境。密封外壳可确保内部组件不受污染,从而提高驱动器的耐用性和使用寿命。
恶劣环境下的耐用性
SE14 专为在苛刻的环境中表现良好而设计,包括多尘、潮湿或高温条件。坚固的结构与 IP65 密封相结合,使其能够承受粗暴的操作、极端天气条件以及泥浆、灰尘和化学品等污染物的暴露。
高精度跟踪
当用于机器人或自动化系统等精密应用时,SE14 可提供出色的跟踪精度,确保平稳准确的运动。驱动器的增强精度有助于提高需要精细控制的系统的操作性能和可靠性。
高负载能力
SE14 设计用于承受轴向和径向负载,具有出色的旋转运动保持能力。这种高承载能力对于在重载和恶劣条件下运行的起重机和挖掘机等机械至关重要。
电机兼容性灵活性
SE14 与各种驱动电机兼容,包括液压电机和电动机,为用户提供广泛的动力选择。这种灵活性使驱动器可以集成到各种类型的机械和系统中。
如何定制包络回转驱动器 SE14
定制 SE14 包络回转驱动器以满足特定的操作需求是一个简单的过程。一些关键的定制选项包括:
扭矩和齿轮比
输出扭矩和齿轮比可根据应用的特定负载和速度要求进行定制。通过调整齿轮比,SE14 可以进行定制,为不同的系统提供速度和扭矩之间的最佳平衡。
密封选项
虽然标准 SE14 提供 IP65 防护,但可以针对更苛刻的环境定制额外的密封配置,例如 IP67 或 IP68,以防止更极端地暴露在水、灰尘和污染物中。
安装配置
SE14 的底座和安装结构可以根据要安装的设备的特定设计进行定制。定制安装配置可确保在各种机械设计中易于安装和最佳空间利用率。
自锁功能
如果需要额外的安全功能,可以定制自锁机制以确保系统满足应用的确切安全要求。
材料和涂层
SE14 可定制各种材料和保护涂层,例如用于海洋或户外环境的耐腐蚀涂层,或用于高耐久性应用的耐磨材料。
反馈系统
对于需要精确控制的应用,可将反馈系统(例如编码器或位置传感器)的定制集成添加到 SE14,以实时监控驱动器的位置和性能。
立锐轴承是包络式回转驱动器 SE14 的专业制造商
立锐轴承是一家领先的制造商,专门设计和生产高品质的回转驱动器,包括 SE14 包络式回转驱动器。 立锐轴承高度重视精密工程和质量保证,致力于为各种工业应用提供耐用、可靠且可定制的回转驱动器。
为什么选择 立锐轴承作为 SE14 回转驱动器?
行业专业知识
立锐轴承 的工程团队在回转驱动器的设计和制造方面拥有丰富的经验,确保每件产品都符合最高的质量和可靠性标准。他们对不同行业的了解使他们能够根据客户的特定需求定制回转驱动器。
定制解决方案
立锐轴承与客户密切合作,为独特的应用需求提供定制解决方案。无论是调整扭矩水平、修改密封配置还是更改齿轮比,立锐轴承都能确保 SE14 回转驱动器完全满足您的需求。
可靠性和耐用性
立锐轴承专注于使用高质量的材料和先进的制造技术,确保其回转驱动器能够承受最具挑战性的操作条件。


© 2025 立锐轴承 All Rights Reserved 备案号:豫ICP备2024101299号-3