回转驱动
提供SE/WE/SP全系列精密回转驱动,支持非标定制,满足6-8级齿轮精度与各类电机集成需求。
| 项目/Item | 数值 | 单位 |
|---|---|---|
| SE7&SEA7/SEB7/PE7 | Value | Unit |
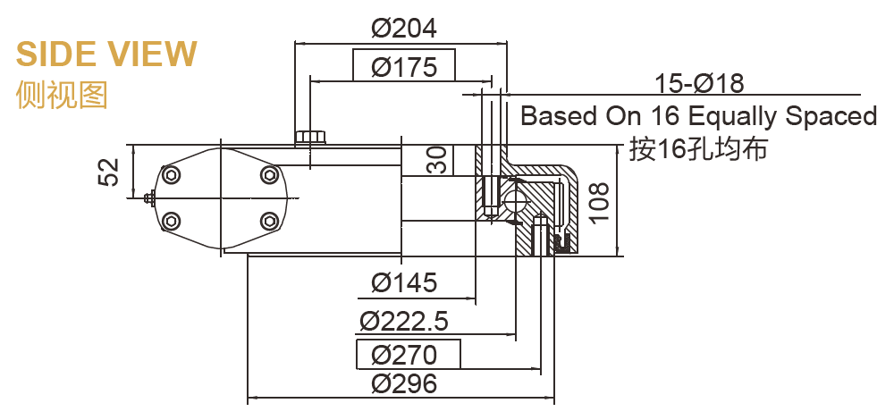
| 输出转矩/Output Torque | 1500 | N.m |
| 倾覆力矩/Tilting Moment Torque | 13500 | N.m |
| 保持力矩/Holding Torque | 10400 | N.m |
| 轴向静载荷/Static Axial Rating | 133 | kN |
| 径向静载荷/Static Radial Rating | 53 | kN |
| 轴向动载荷/Dynamic Axial Rating | 32 | kN |
| 径向动载荷/Dynamic Radial Rating | 28 | kN |
| 减速比/Gear Ratio | 73:1 | — |
| 精度等级/Tracking Precision | ≤0.2 | ° |
| ≤0.07/0.1 | ||
| 重量/Weight | 25 | kg |



好的,下面是重新翻译的版本:
包络式回转驱动 SE9 系列
包络式回转驱动 SE9 系列是一款先进的集成传动组件,旨在提供坚固可靠的性能。它由多个关键部件组成,包括基座、蜗杆和蜗轮。凭借完全封闭和保护设计,SE9 系列能够同时承受轴向、径向和倾斜力矩,并提供自锁功能,增强安全性。
包络式回转驱动 SE9 是一款集成式单元化传动组件,采用先进设计,适用于重载低速旋转应用。该回转驱动单元由基座、蜗轮和蜗杆组成,协同工作,能够在较大负载下提供平稳可靠的运动。SE9 的包络蜗轮设计允许蜗轮与蜗杆同时接触 4-5 个齿,大大提高了产品的输出扭矩和保持扭矩,为各种工业任务提供更强大的动力和精确性。
SE9 回转驱动的一个关键特点是其自锁功能,当失去电力时,驱动部件不会逆转。该自锁设计确保设备断电后,系统保持安全锁定,增加了安全性,并减少了不必要的运动风险。
SE9 回转驱动特别设计用于恶劣条件下工作。驱动单元完全密封,确保能够承受轴向、径向和倾斜力矩,而不影响性能。系统的保护等级为 IP65,能够有效防止灰尘和水分侵入,适用于户外或要求较高的环境条件。
与其他回转驱动系统(如 S 系列)相比,SE9 提供了更强的密封性能,更适合应用于需要对灰尘、泥浆或水分等污染物具有较高防护要求的行业。
包络式回转驱动 SE9 在需要强大扭矩解决方案的旋转运动应用中具有广泛的应用。其强大动力、精确性和耐用性使其成为多个行业的热门选择:
SE9 经常用于空中作业平台,提供平台的可靠旋转,确保高空作业的安全与高效。回转驱动的自锁功能确保平台停止后,能够保持稳定,即使在恶劣的户外环境中也不易发生意外移动。
在汽车起重机中,SE9 回转驱动用于控制起重机臂的旋转,使其在重载条件下能够平稳控制移动。该驱动能够承受轴向和径向力以及增强的密封系统,适合在潮湿或多尘的环境中使用。
SE9 的坚固性和耐用性使其非常适合用于建筑和矿业中的重型机械,这些应用需要高扭矩和长期稳定的性能。能够承受高轴向负载和倾斜力矩对于这些要求苛刻的应用至关重要。
在风力发电机中,SE9 回转驱动用于控制风机的方位(偏航)运动。其精确的追踪能力、自锁功能和能在恶劣环境条件下工作的能力,使其成为可再生能源领域的理想解决方案。
SE9 常用于太阳能跟踪系统,通过其可靠且连续的旋转帮助优化太阳能电池板与太阳的角度,确保最大化的能源效率。回转驱动的防尘和防水功能使其能够在户外环境中运行,保证长期操作且需要最小维护。
SE9 的紧凑设计和坚固结构使其非常适合机器人应用,其中精确性和扭矩至关重要。能够承受重负载而不牺牲性能或安全性,确保其能够应用于工业自动化和其他先进领域的各种机器人系统。
包络式回转驱动 SE9 拥有多个关键特点,使其成为一个高度可靠和多功能的工业解决方案:
高输出扭矩和保持扭矩
SE9 独特的包络蜗轮设计允许蜗杆和蜗轮之间多个齿同时啮合,改善了输出扭矩和保持扭矩。这使得机械功率更大,承载能力更强,系统稳定性更高。
自锁机制
内建的自锁功能防止了当电源关闭时,回转驱动发生无意旋转。该安全功能对于防止不受控运动带来损害或安全隐患至关重要。
IP65 密封性
SE9 配备高等级的密封系统,密封等级为 IP65,有效防止灰尘、水和其他环境污染物的侵入,使其非常适合户外应用或处于多尘、潮湿环境中的使用。
耐用且坚固的设计
SE9 设计能够承受轴向力、径向力和倾斜力矩,确保即使在重负载或极端工作条件下,回转驱动也能可靠运行。这使其成为许多工业领域的耐用高性能解决方案。
高精度
SE9 提供精确的跟踪性能,确保机械系统的旋转平稳且精准。这对于那些微小错位可能影响整体系统效率和安全性的应用尤其重要。
多功能驱动选项
SE9 可与多种执行器配合使用,包括液压电机或电动电机,提供灵活性,并能够根据特定应用需求使用不同的配置。
高效能
SE9 的设计优化了能效,减少了额外功率输入的需求,同时保持强大的输出扭矩。这样,使用 SE9 的系统能够有效且经济地运行。
在选择包络式回转驱动 SE9 时,可以根据客户的具体需求进行多个定制选项:
齿轮比定制
SE9 的齿轮比可以根据所需的输出速度和扭矩要求进行定制。无论是需要更高的减速比以获得更多的扭矩,还是需要较低的齿轮比以获得更快的旋转,Lyra Drive 都能提供灵活的解决方案。
电机兼容性
SE9 回转驱动可与多种电机类型(包括电动机、液压电机或定制执行器)集成,确保满足应用的性能要求,并与现有设备兼容。
密封选项
针对极端环境条件,可以为 SE9 回转驱动增加额外的密封功能。这可能包括定制双重密封或增强的保护措施,用于海洋、海上或高压应用。
尺寸和负载能力
根据应用需求,SE9 回转驱动可以定制为具有更高负载能力或更大尺寸的配置。无论是需要紧凑设计以适应有限空间,还是需要用于高负荷任务的重型解决方案,Lyra Drive 的工程师都能提供定制配置。
精确跟踪增强
PE9 系列是 SE9 的升级版,采用蜗轮齿磨加工以提高跟踪精度。这对于需要高精度旋转的应用尤其有用。
表面处理和材料
SE9 可根据将暴露的环境因素进行定制,使用不同的材料或表面处理。例如,可以为海洋或高湿度环境应用防腐涂层。
立锐轴承是高质量回转驱动的领先制造商,包括包络式回转驱动 SE9。凭借多年的设计和制造经验,立锐轴承致力于为客户提供可靠耐用的回转驱动解决方案。
专业设计和制造
立锐轴承的工程团队专注于设计提供高扭矩、可靠性和精度的回转驱动。公司采用先进的制造技术,确保每个产品都符合最高的性能和质量标准。
定制选项
立锐轴承为 SE9 回转驱动提供多种定制选项,包括齿轮比、电机兼容性、密封和负载能力,确保每个驱动都满足客户的特定需求。
全球服务和支持
立锐轴承在全球市场上拥有强大的服务网络,提供本地化支持和服务。公司提供一


© 2025 立锐轴承 All Rights Reserved 备案号:豫ICP备2024101299号-3