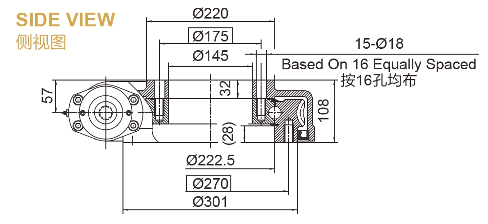
回转驱动
提供SE/WE/SP全系列精密回转驱动,支持非标定制,满足6-8级齿轮精度与各类电机集成需求。
| 项目/Item | 数值 | 单位 |
|---|---|---|
| WE9&WEA9/WEB9 | Value | Unit |
| 输出转矩/Output Torque | 8 | kN.m |
| 倾覆力矩/Tilting Moment Torque | 35.6 | kN.m |
| 保持力矩/Holding Torque | 38.7 | kN.m |
| 轴向静载荷/Static Axial Rating | 578 | kN |
| 径向静载荷/Static Radial Rating | 215 | kN |
| 轴向动载荷/Dynamic Axial Rating | 136 | kN |
| 径向动载荷/Dynamic Radial Rating | 115 | kN |
| 减速比/Gear Ratio | 62:1 | — |
| 精度等级/Tracking Precision | ≤0.15 | ° |
| 重量/Weight | 54 | kg |



什么是蜗轮传动 WE9?
蜗轮传动 WE9 是一种先进的机械驱动系统,专为各种工业应用而设计。该集成装置结合了几个关键部件,包括坚固的底座、精确设计的蜗杆轴和兼容的蜗轮。其设计使其能够在封闭环境中有效运行,使其能够承受巨大的轴向载荷、径向力和倾覆力矩。WE9 的突出特点之一是其自锁机制,当驱动电源丢失时,它可以防止旋转部件反转。这种能力不仅提高了安全性,而且还确保了关键应用中的操作可靠性。
蜗轮传动的特点是其独特的配置,其中蜗杆(圆柱螺旋状齿轮)与蜗轮(齿与蜗杆啮合的齿轮)啮合。这种配置可以显着降低速度,同时增加扭矩输出。WE9 采用先进的 ZA 或 ZK 齿形,旨在实现更紧密的啮合和更好的接触,从而最大限度地提高效率和性能。驱动器的自锁功能对于安全性至关重要的应用尤其重要,因为它可以有效地将机构锁定到位,防止意外移动。
蜗轮传动 WE9 的特点
蜗轮传动 WE9 具有多种功能,使其成为许多工业应用的绝佳选择:
高效率和扭矩输出:与传统齿轮系统相比,蜗轮设计允许更大的扭矩输出。这意味着 WE9 可以处理更大的负载并在要求苛刻的应用中提供更好的性能。
自锁能力:此功能对于安全敏感的应用至关重要。它确保系统在不运行时保持锁定状态,防止任何可能导致事故或设备损坏的潜在反向驱动。
密封结构:WE9 设计为在密封条件下运行,可防止灰尘和湿气等污染物。这对于保持性能和使用寿命至关重要,尤其是在户外或恶劣环境中。
多功能性:WE9 可与液压马达或电动机配对,在各种操作环境中提供灵活性。这种适应性允许用户根据其特定需求选择最合适的驱动器选项。
耐用设计:WE9 采用优质材料和精密工程制造,可承受工业用途的严苛要求,确保可靠性并降低维护成本。
IP65 防护等级:WE9 提供令人印象深刻的防护等级,使其适用于暴露在灰尘和水中的环境。此 IP65 等级确保驱动器可以在一系列具有挑战性的条件下有效运行。
蜗轮传动 WE9 的应用
蜗轮传动 WE9 的多功能性使其适用于各个行业。一些值得注意的应用包括:
动臂升降旋转驱动器:在高空作业平台中,WE9 提供可靠的旋转和提升功能,确保操作员可以安全地进入高空作业区域。
采矿钻机提升驱动器:WE9 坚固耐用,是采矿作业中提升重型钻机设备的理想选择。其自锁功能为设备使用增加了额外的安全保障。
工业倾卸机构:该驱动器用于需要控制倾卸或旋转的机器,例如料斗和容器,精确的运动对于提高操作效率至关重要。
建筑机械:WE9 越来越多地用于需要可靠和安全旋转运动的建筑机械,有助于提高工作现场的生产率和安全性。
自动化系统:在自动化和机器人技术中,WE9 在提供对运动的精确控制方面发挥着关键作用,增强了自动化系统的整体功能。
蜗轮传动 WE9 的价格
蜗轮传动 WE9 的价格可能因多种因素而有很大差异,包括特定配置、定制选项和生产规模。潜在买家必须联系我们的销售代表,获取针对其特定要求的详细定价信息。 LYRADRIVE 致力于提供具有竞争力的价格,同时确保我们产品的质量和可靠性不受影响。
LYRADRIVE:蜗轮传动 WE9 的专业制造商
LYRADRIVE 是一家领先的蜗轮传动 WE9 制造商。我们对质量的承诺体现在我们制造过程的每个方面。我们利用先进的工程技术和高质量的材料来生产符合最高性能和耐用性标准的驱动器。我们经验丰富的团队与客户密切合作,以了解
他们的独特需求,并提供定制的解决方案来提高他们的运营效率。
LYRADRIVE 专注于创新和客户满意度,不断投资于研发,以改进我们的产品并适应新兴技术。这种奉献精神确保我们的蜗轮传动 WE9 始终处于行业前沿,在广泛的应用中提供可靠的性能。
WEA9 和 WEB9 的比较
WEA9 和 WEB9 系列旋转驱动器是原始 WE 系列的增强版,旨在满足最具挑战性的工作条件的需求。关键区别在于它们的密封方法。WEA9 采用单骨架油封,而 WEB9 配备双骨架油封。这种密封技术的优化为 WEB9 提供了卓越的密封性能,使其在充满灰尘、泥浆和其他污染物的环境中特别有效。
WEA9 和 WEB9 都提供了卓越的性能,但两者之间的选择取决于特定的环境条件和操作要求。对于暴露在恶劣条件下的应用,WEB9 因其增强的密封能力而成为首选。相比之下,WEA9 适用于要求较低的环境,同时仍能提供可靠的性能。
总之,蜗轮传动 WE9 是低速工业应用的首选解决方案,兼具安全性、效率和适应性。其设计和功能使其成为各种行业的理想选择,确保满足现代工业运营所需的高标准。


© 2025 立锐轴承 All Rights Reserved 备案号:豫ICP备2024101299号-3