回转驱动
提供SE/WE/SP全系列精密回转驱动,支持非标定制,满足6-8级齿轮精度与各类电机集成需求。
| 项目/Item | 数值 | 单位 |
|---|---|---|
| SE7&SEA7/SEB7/PE7 | Value | Unit |
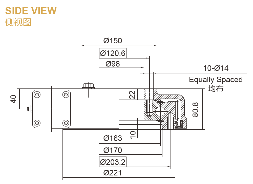
| 输出转矩/Output Torque | 1500 | N.m |
| 倾覆力矩/Tilting Moment Torque | 13500 | N.m |
| 保持力矩/Holding Torque | 10400 | N.m |
| 轴向静载荷/Static Axial Rating | 133 | kN |
| 径向静载荷/Static Radial Rating | 53 | kN |
| 轴向动载荷/Dynamic Axial Rating | 32 | kN |
| 径向动载荷/Dynamic Radial Rating | 28 | kN |
| 减速比/Gear Ratio | 73:1 | — |
| 精度等级/Tracking Precision | ≤0.2 | ° |
| ≤0.07/0.1 | ||
| 重量/Weight | 25 | kg |



包络式回转驱动 SE7 系列
包络式回转驱动 SE7是一款集成化、高性能的传动单元,设计用于在重载情况下提供高效的旋转运动。它由基座、蜗轮和蜗轮组成,所有部件都被封闭在防护外壳内。该先进的回转驱动系统可以同时承受轴向、径向和倾斜力矩负载,同时提供自锁功能。包络式蜗轮的独特设计允许蜗轮和蜗轮之间同时啮合 4 到 5 个齿,这显著增强了驱动的输出扭矩和保持扭矩。在失去驱动电源时,自锁功能确保旋转部件保持在安全位置,防止反向运动,从而确保在关键应用中的安全性。
SE7 系列回转驱动提供了比传统 S 系列更优越的保护性能,防尘防水能力更强。它具有 IP65 防护等级,专为应对恶劣的户外环境和苛刻的工业应用而设计,是需要坚固、高扭矩和精确旋转驱动的行业的可靠解决方案。
包络式回转驱动 SE7 的应用
包络式回转驱动 SE7 被广泛应用于需要精确安全旋转和定位重物的行业。以下是一些常见的应用领域:
高空作业平台 (AWPs)
SE7 系列回转驱动广泛应用于高空作业平台等高空作业车辆。这些平台需要可靠且坚固的回转系统,以确保在提升重物和人员到达高空时平稳安全地旋转。SE7 的自锁功能确保平台即使在断电时也能保持稳定,防止任何突然或不安全的移动。
起重机系统
在汽车起重机及其他移动起重机中,SE7 回转驱动提供关键的旋转能力,用于控制起重机的臂架和其他部件。它确保在处理重物时,起重机能够精确且可控地移动,尤其是在复杂环境下。
太阳能追踪系统
太阳能电厂利用 SE7 系列回转驱动跟踪太阳能板的位置。该驱动的精确性和自锁功能有助于优化太阳能板的朝向,提高能源效率,同时无需持续的电源输入。
风力发电机
SE7 用于风力发电机系统中旋转机舱和调整叶片俯仰角度,从而优化能量生成过程。它在恶劣的户外条件下可靠的性能确保稳定的发电,减少停机时间。
重型设备
SE7 系列非常适用于挖掘机、轮式装载机及其他需要精确运动和扭矩处理的工业车辆。其坚固的设计能承受重负荷,适应重型应用中的磨损和压力。
旋转台和回转平台
在金属加工、包装和物料搬运等行业,SE7 回转驱动可以精确地旋转和定位旋转台和回转平台,提高装配线和自动化过程的效率。
SE7 的多功能性使其成为稳定性、安全性和性能至关重要的各种应用的理想选择。
包络式回转驱动 SE7 的特点
包络式回转驱动 SE7 具有多个突出特点,确保其在重型应用中的性能、可靠性和适应性:
高扭矩和保持能力
包络式蜗轮设计使得蜗轮和蜗轮之间的多个齿啮合,显著提升了驱动的输出扭矩和保持扭矩。这使得 SE7 能够在苛刻条件下处理更高的负载,并保持精确的旋转,非常适合建筑、航空航天和可再生能源等行业。
自锁机制
SE7 的自锁功能是其关键安全特点。当驱动失去电源或电动机关闭时,自锁功能可防止旋转部件反向旋转,从而确保系统在适当位置安全锁定。这在起重机和高空作业平台等对安全要求极高的应用中尤为重要。
IP65 防护等级
SE7 系列具有增强的密封设计,提供防尘和防水能力。其 IP65 防护等级使其能够抵抗恶劣的环境条件,非常适合需要防尘、防潮和防碎片的户外和工业应用。
精确旋转
SE7 的旋转精度极高,确保组件平稳无误地运动。这一精度使得 SE7 适用于需要高度控制和定位精度的系统,如太阳能追踪和风力发电机调整。
耐用构造
SE7 采用高质量材料,专为在恶劣条件下长时间使用而设计。其重型轴承、齿轮和密封件大大增强了耐磨损能力,确保即使在挑战性环境下也能长时间服役。
定制选项
SE7 系列提供多种定制选项,以满足特定应用要求,包括齿轮比、负载能力和密封选项的调整。这种适应性确保客户获得完全符合其独特操作需求的回转驱动。
针对严酷条件的改进密封
SE7 系列配备了先进的密封系统,提供比传统型号更好的保护。此功能对于回转驱动暴露在泥土、灰尘和其他污染物中尤为重要,这些污染物可能会影响其性能。
如何定制包络式回转驱动 SE7
与 立锐轴承 合作时,定制包络式回转驱动 SE7 以满足特定需求是一个简单的过程。该公司提供多种定制选项,确保 SE7 完美契合您的项目需求。以下是一些定制方式:
扭矩和负载能力调整
根据应用要求,SE7 的输出扭矩和承载能力可以进行调整。立锐轴承可以根据具体需求修改设计,以满足任何重型应用的操作要求。
齿轮比选择
齿轮比在决定旋转速度和精度方面起着关键作用。SE7 可以定制不同的齿轮比,以优化性能,无论您需要高速度还是精确旋转。
定制密封解决方案
如果您的应用暴露在极端环境条件下(如腐蚀性化学品、高湿气或灰尘),SE7 可以配备增强的密封选项,例如双重密封系统,以提供额外的保护。
轴承类型和材料
根据应用要求,可以选择不同的轴承材料和设计。立锐轴承提供多种轴承选项,确保回转驱动在各种负载类型和操作条件下都能最佳运行。
尺寸和安装配置
SE7 系列可以根据机械布局和设计规格定制尺寸和安装配置。无论您需要紧凑型设计用于空间有限的系统,还是需要大型重型驱动,均可提供定制选项以满足您的特定需求。
自锁和安全功能
可以为 SE7 回转驱动添加额外的安全功能,如增强的自锁能力或刹车系统,确保在关键应用中提供额外的安全性。
立锐轴承:包络式回转驱动 SE7 的专业制造商
立锐轴承是包络式回转驱动 SE7 和其他先进回转驱动的领先制造商。凭借在动力传输行业的多年经验,立锐轴承建立了良好的声誉,致力于提供高质量、可靠和具成本效益的回转驱动,完美契合各行业的具体需求。
为什么选择立锐轴承?
专业设计和工程
立锐轴承的工程团队在设计定制回转驱动方面拥有丰富经验,深刻理解不同工业的技术要求,确保每个回转驱动都符合或超越客户的期望。
高质量制造标准
立锐轴承采用先进的制造设施和高质量材料生产耐用且高效的回转驱动。所有产品都经过严格测试,确保其符合最高的性能和可靠性标准。
全面的售后支持
立锐轴承提供广泛的售后服务,包括安装帮助、故障排除和维护支持。客户服务团队随时为您解答任何问题或解决任何购买后出现的问题。
全球覆盖
立锐轴承在全球范围内提供产品和服务,无论您位于欧洲、北美、亚洲还是其他地区,立锐轴承都能确保及时交货并提供本地支持。
定制能力
作为专业的回转驱动制造商,立锐轴承专注于为各种应用提供定制化解决方案。公司与客户密切合作,理解需求,提供完美契合的回转驱动。
结论
包络式回转驱动 SE7 提供了创新、可靠且可定制的解决方案,适用于需要高扭矩、精确运动和增强安全性的应用。凭借其自锁功能、先进密封和耐用性,SE7 是建筑、航空航天和可再生能源等行业的理想选择。
作为专业制造商,立锐轴承致力于提供高质量的定制回转驱动,满足每个客户的独特需求。无论您需要标准解决方案还是高度定制的配置,立锐轴承都是您项目的可靠伙伴。


© 2025 立锐轴承 All Rights Reserved 备案号:豫ICP备2024101299号-3