回转驱动
提供SE/WE/SP全系列精密回转驱动,支持非标定制,满足6-8级齿轮精度与各类电机集成需求。
| 项目/Item | 数值 | 单位 |
|---|---|---|
| WE17&WEA17/WEB17 | Value | Unit |
| 输出转矩/Output Torque | 12.96 | kN.m |
| 倾覆力矩/Tilting Moment Torque | 142.4 | kN.m |
| 保持力矩/Holding Torque | 72.3 | kN.m |
| 轴向静载荷/Static Axial Rating | 1166 | kN |
| 径向静载荷/Static Radial Rating | 435 | kN |
| 轴向动载荷/Dynamic Axial Rating | 280 | kN |
| 径向动载荷/Dynamic Radial Rating | 231 | kN |
| 减速比/Gear Ratio | 104:1 | — |
| 精度等级/Tracking Precision | ≤0.1 | ° |
| 重量/Weight | 105 | kg |



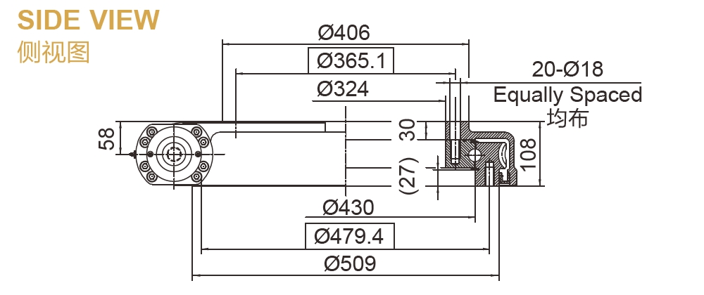
蜗轮驱动 WE17 是一款专为各类工业应用设计的高性能驱动组件。其核心部件包括坚固的底座、精密制造的蜗杆轴以及对应的蜗轮,能够在密闭防护环境中高效运行。这款驱动系统能同时承受轴向载荷、径向力和倾覆力矩,并且具备自锁功能,不仅提高了运行效率,还增强了操作安全性。这使得 WE17 成为对可靠性要求高的应用场景的理想选择。
通过蜗轮设计,WE17 可实现显著的扭矩减速并增强输出扭矩,满足苛刻的操作需求。其采用的 ZA 或 ZK 齿形优化了蜗杆和蜗轮之间的啮合,提高了工作效率和整体性能。
高输出扭矩
WE17 可产生 12.96 kN·m 的输出扭矩,非常适合重载工业应用。
倾覆力矩
142.4 kN·m 的倾覆力矩保证设备在承受大载荷时的稳定性。
保持扭矩
提供 72.3 kN·m 的保持扭矩,确保驱动部件在复杂条件下也能保持固定。
齿轮比
104:1 的齿轮比实现了有效的速度减小和扭矩放大,满足低速高扭矩应用的需求。
跟踪精度
≤0.1° 的高精度跟踪控制,适用于需要精准动作的场景。
自锁机制
自锁功能可在动力丢失时防止部件意外旋转,提高了安全性和可靠性。
IP65 防护等级
防尘防水设计使 WE17 能够在户外及恶劣环境中运行。
多种驱动选择
可与液压马达或电动马达配合使用,为用户提供灵活的动力方案。
高空作业平台
在高空作业机械中,WE17 提供可靠的旋转和提升功能,保障操作员的安全与效率。
矿山设备
WE17 可用于提升和定位重型钻探设备,在矿山作业中表现出色,确保安全和性能。
工业倾翻系统
用于料斗和容器等需要精确倾翻和旋转的设备中,优化了操作效率。
建筑机械
WE17 结构坚固,适合建筑领域中需要可靠旋转驱动的应用,提高施工效率与安全性。
自动化与机器人
在自动化系统中,WE17 提供精准控制和动作能力,提升机器人应用的整体性能。
WE17 的价格因定制选项和生产规模而异。如需获取符合您需求的具体报价,建议联系销售团队。立锐轴承致力于提供具有竞争力的价格,同时确保产品的高品质和可靠性。
立锐轴承是 WE17 蜗轮驱动领域的领先制造商。我们以严谨的生产工艺和精密的技术标准,确保产品的高性能与耐用性。通过使用先进的工程技术和优质材料,我们确保每款 WE17 都能满足最高的操作要求。我们经验丰富的团队与客户紧密合作,提供定制化的解决方案,帮助客户提高运营效率。
通过持续的研发投入,立锐轴承不断推动技术创新,确保 WE17 蜗轮驱动始终满足行业需求,保持领先地位。
WEA17 和 WEB17 系列是 WE 系列的升级版本,配备了不同的密封技术。
WEA17:采用单骨架油封,适合普通环境应用。
WEB17:采用双骨架油封,密封性能更强,尤其适合灰尘、泥浆等恶劣环境。
尽管两者都具有卓越性能,但选择取决于具体的操作条件。在严苛环境中,推荐选择密封性能更优的 WEB17,而 WEA17 则适用于相对温和的环境,保持高效可靠的性能。
蜗轮驱动 WE17 以其安全性、高效率和多功能性在低速工业应用中脱颖而出。凭借坚固的设计和丰富的功能,WE17 满足现代工业对高性能设备的需求,是多个行业中的理想解决方案。


© 2025 立锐轴承 All Rights Reserved 备案号:豫ICP备2024101299号-3