回转驱动
提供SE/WE/SP全系列精密回转驱动,支持非标定制,满足6-8级齿轮精度与各类电机集成需求。
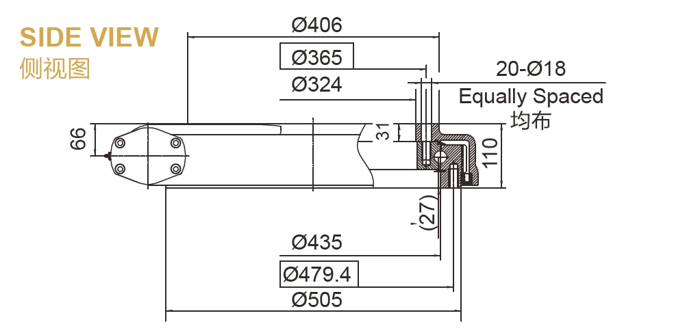
| 项目/Item | 数值 | 单位 |
|---|---|---|
| SE17&SEA17/SEB17/PE17 | Value | Unit |
| 输出转矩/Output Torque | 10 | kN.m |
| 倾覆力矩/Tilting Moment Torque | 135.6 | kN.m |
| 保持力矩/Holding Torque | 72.3 | kN.m |
| 轴向静载荷/Static Axial Rating | 970 | kN |
| 径向静载荷/Static Radial Rating | 390 | kN |
| 轴向动载荷/Dynamic Axial Rating | 235 | kN |
| 径向动载荷/Dynamic Radial Rating | 205 | kN |
| 减速比/Gear Ratio | 102:1 | — |
| 精度等级/Tracking Precision | ≤0.15 | ° |
| ≤0.05/0.07 | ||
| 重量/Weight | 102 | kg |



包络旋转驱动 SE17系列
包络旋转驱动 SE17系列是一款先进的集成传动组件,旨在提供强大且可靠的性能。它由多个关键部件组成,包括基座、蜗杆和蜗轮。SE17系列采用完全封闭和保护设计,能够同时承受轴向、径向和倾斜力矩,同时提供自锁功能,提升安全性。
包络旋转驱动 SE17是一款高度先进的机械传动单元,将多个关键部件集成在一个紧凑且坚固的设计中。这款旋转驱动装置包括基座、蜗轮和蜗轮箱,能够精确控制重载应用中的旋转运动。
SE17旋转驱动具有创新的包络蜗杆设计,使蜗杆和蜗轮能够同时与4至5个齿保持啮合。这一独特设计显著增强了输出扭矩和保持扭矩,使其在重载和高要求的操作条件下更加高效可靠。
SE17旋转驱动的另一个显著特点是其自锁功能,在断电时可防止被驱动部件旋转,确保系统安全锁定。SE17系列旋转驱动非常适用于对高可靠性、安全性和耐久性要求较高的环境。它还能够承受轴向、径向和翻转力矩,因此在多个工业应用中具有较强的适应性。
该旋转驱动装置采用密封保护外壳,增强耐用性并保护其免受外部因素的影响,提供IP65防尘防水功能。其卓越的密封设计使其在恶劣环境下也能高效工作,如户外或极端天气条件下,其他旋转驱动可能无法正常工作。
包络旋转驱动 SE17特别适用于各种低速工业旋转应用,尤其是在需要旋转或控制重载的环境中。其主要应用包括:
高空作业平台 (AWPs):这些机器需要能够承受高轴向和径向力的旋转驱动,以保持稳定性。SE17提供所需的扭矩和可靠性,驱动平台旋转,确保操作平稳安全。
汽车起重机:这些起重机依赖旋转驱动来有效地旋转其臂和负载。SE17旋转驱动的高保持扭矩和自锁机制非常适合在起重机未通电时防止不必要的旋转。
建筑设备:重型建筑机械,包括挖掘机、钻机和物料搬运设备,要求高效的旋转系统来搬运大型物体并执行复杂任务。SE17提供所需的扭矩,支持这些设备在苛刻条件下运行。
矿山与工业机械:在矿山行业,传送带、绞车和其他旋转设备通常在恶劣条件下运行。SE17旋转驱动提供耐用性和效率,用于控制这些运动。
可再生能源:SE17还可用于风力发电机的机舱,在此应用中需要精确的高扭矩旋转运动来调整风机的定位。其自锁功能确保即使在断电时,风机叶片也能保持稳定位置。
军事与航空航天:SE17提供的精度和可靠性使其成为军事和航空航天应用的理想选择,在这些领域中,设备必须在极端条件下可靠运行。
包络旋转驱动 SE17提供多项显著特点,使其成为工业应用中的优选解决方案。这些特点包括:
包络蜗杆设计:这种设计使多个齿能够同时啮合,均匀分布负载,提供更高的输出扭矩和保持扭矩。最终效果是提高效率并延长驱动系统的使用寿命。
自锁功能:SE17旋转驱动旨在防止在断电时发生反向旋转,增强安全性和稳定性。这一功能在需要驱动在负载下牢固保持位置的应用中至关重要。
IP65防护等级:SE17具有出色的密封能力,完全防止灰尘和水分渗入。这使得驱动装置适用于户外使用或高湿度、灰尘或水分暴露的环境,确保长期耐用,减少维护需求。
重载承载能力:SE17旋转驱动能够承受显著的轴向、径向和翻转力矩,适用于要求驱动装置能够承受重载和波动负载的高需求应用。
精密和平稳操作:该驱动装置的齿轮系统设计具有低反向间隙和高精度,确保平稳、可控的旋转运动。对于需要精细调节的设备(如高空作业平台和起重机),这一特点尤为重要。
耐用性与可靠性:SE17旋转驱动采用高质量材料制造,即使在最苛刻的工作环境下也能耐用。它提供长期性能,所需的维护较少,从而降低了长期拥有成本。
SE17包络旋转驱动可以根据具体需求进行定制,无论是用于特殊应用还是特定性能要求。以下是一些定制选项:
扭矩和齿轮比:根据应用需求,SE17的输出扭矩和齿轮比可以定制,以满足性能标准。对于重型机械或起重设备,可以指定更高的扭矩额定值。
密封选项:对于在极端条件下(如高温、灰尘、泥浆或潮湿环境)应用的设备,可以增加额外的密封选项或增强保护措施,以提高旋转驱动的可靠性和寿命。
材料选择:SE17旋转驱动的制造材料可以根据具体环境进行定制。例如,在海洋或离岸环境中应用时,可以使用不锈钢等耐腐蚀材料。
安装配置:SE17可定制不同的安装类型和方向,以适应各种设备配置。该驱动可以根据起重机、传送带或其他需要旋转的机械的具体需求进行调整。
反向间隙调整:如果精确定位对您的应用至关重要,立锐轴承可以定制齿轮系统中的反向间隙,确保更平稳、更精确的旋转。
电机和驱动集成:SE17可以与各种电机(包括液压电机或电动电机)配合使用,具体取决于应用需求。这为选择适合特定任务的最优电机提供了更大的灵活性。
性能提升:对于需要高性能的应用,可以为SE17配备额外的性能提升,如改进的齿轮系统、更好的润滑系统和优化的润滑路径,以提高效率。
立锐轴承是包络旋转驱动 SE17的领先制造商,提供高质量的旋转驱动,满足不同行业的需求。立锐轴承凭借其在提供创新机械解决方案方面的专业知识,致力于精度、耐用性和客户满意度。
经验丰富:立锐轴承在设计和制造旋转驱动方面具有丰富的经验,是工业和商业应用的可信赖伙伴。该公司的产品按最高质量标准制造,确保可靠性和性能。
定制选项:立锐轴承与客户紧密合作,开发定制的旋转驱动,以满足其特定的应用需求。无论您需要定制的齿轮比、特殊的密封或其他定制功能,立锐轴承的团队都能提供量身定制的解决方案。
全面质量控制:每一台SE17旋转驱动都经过严格的测试和质量保证流程,以确保其在苛刻条件下的性能。立锐轴承对质量的承诺保证了每一款产品的最佳表现。
全球支持:立锐轴承拥有全球分销商和支持中心网络,确保全球客户获得及时有效的支持。无论是安装、维护还是故障排除,立锐轴承团队随时准备提供帮助。
竞争力价格:立锐轴承以具有竞争力的价格提供SE17包络旋转驱动,同时不妥协于质量或性能。


© 2025 立锐轴承 All Rights Reserved 备案号:豫ICP备2024101299号-3